Rheiliau
video
Rheiliau

Rheiliau to paneli solar dylunio newydd

Deunydd: Aluminum6005-t5
Triniaeth wyneb: Anodized
Dimensiwn: 2560mm/3400/4200mm/Customized
Safle gosod: to Top

Disgrifiad
Dylunio newydd Customized paneli solar rheiliau llaw sampl rhad ac am ddim a'i ymgynghoriad dyfynbris a rhestr brisiau, Tsieina to system ategolion gweithgynhyrchwyr a chyflenwyr, croeso i brynu ein cynnyrch.

 

QQ20190429153134.jpg

 

QQ20190429153150.png

 

Dylunio newydd gosod rheiliau to solar

 

Wanhos solar rheilffordd alwminiwm yn addas ar gyfer cromfachau system pŵer PV o wahanol dir a tho. Gall addasu ongl gogwydd y Panel i wella effeithlonrwydd cynhyrchu pŵer yn ôl y tymor. Mae ganddo berfformiad cost uchel, strwythur diogel a dibynadwy, gosod cyfleus, gan arbed amser gosod ar y safle a chost y gweithlu.

 New rails.jpg

 

Manyleb

Gosod safleSystem Mouting to
Dimensiwn2560mm/3400mm/4200mm/Customized
Uchder adeiladhyd at 20m
Cyflymder gwynt Maxhyd at 60m/s
Llwyth eira Maxhyd at 1.4 KN/m2
SafonauUG/NZS 1170 YN
DeunyddAlwminiwm
LliwNaturiol y DU
Gwrth-gyrydolAnodized
Gwarant10 mlynedd
HydFwy nag 20 mlynedd


 

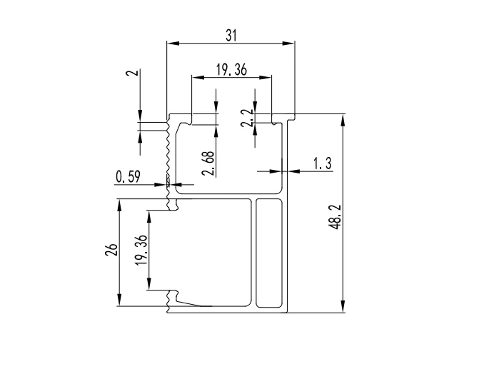
 Rail drawing.png

New rail1_.jpg

 

Gosod

Roof hook

 

Ar

 

1. gosod hawdd.

Mae trenau solar a D-fodiwlau arloesol Wanhos wedi symleiddio'r dull o osod modiwlau PV yn fawr. Gellir gosod y system gydag un pecyn offer allweddol a safonol Hexagon. Bydd prosesau cyn-ymgynnull a chyn-dorri yn atal cyrydu yn uchel ac yn arbed eich amser gosod a chost Llafur.

2. hyblyg iawn. 
Mae gan y system mowntio solar Wanhos ategolion cynyddol a ddyluniwyd i'w defnyddio ar bron pob to a daear gyda chydweddoldeb Rhagorol. Wedi'i ddylunio fel rheseli cyffredinol, gellir defnyddio modiwlau wedi'u fframio gan yr holl weithgynhyrchwyr poblogaidd.

3. cywirdeb uchel. 
Heb yr angen am dorri ar y safle, mae defnyddio ein rheilffordd unigryw ymestyn yn caniatáu i'r system gael ei gosod gyda chywirdeb milimedr.

4. uchafswm oes.
Mae pob cydran yn cael ei wneud o alwminiwm Allwthiedig o ansawdd, C-dur a dur di-staen. Mae'r gwrthiant cyrydu uchel yn gwarantu hyd yr oes fwyaf posibl ac mae hefyd yn gwbl ailgylchadwy.

5. gwydnwch gwarantedig.
Wanhos solar yn darparu gwarant o 10 mlynedd ar wydnwch yr holl gydrannau a ddefnyddir.

 

System mowntio to cysylltiedig

 

System mowntio Tilt


mounting-solar-panels-on-tile-roof45173942662

 

System mowntio to gwastad

w

 

Gwybodaeth am y cwmni

 

company information

 

Xiamen Wanhos solar Technology Co, Ltd yn fenter uwch-dechnoleg yn y maes solar PV arbenigo mewn cynnyrch solar PV gyda thechnoleg uwch a gwasanaeth rhagorol. Wanhos Mae aelodau solar yn ymroi i ymchwilio, dylunio, gweithgynhyrchu a gwerthu'r atebion system mowntio PV solar cyson, dibynadwy a chost effeithlon. Fel un o'r cynhyrchion solar mwyaf ffotofoltäig yn Tsieina, mae'r cynhyrchion arloesol wedi'u gosod mewn mwy o wledydd than100 a rhanbarthau ers ei sefydlu.

 

Cysyniad rheoli

 

Wanhos solar dwyn ymlaen y cysyniad rheoli safonedig a rhynggenedlaethol ar ddechrau ei sefydlu, dod yn gadarnhaol ac yn llym ISO9001:2008, CP, APQP, FMEA, MSA, SPC ac ati system rheoli ansawdd rhyngwladol ym mhob cyfnod gan gynnwys R&D, gweithgynhyrchu, marchnata ac ar ôl gwasanaeth.

               

 

  Ardystio

solar roof hook

 

 Gweithdy

solar roof hook

 )UZ`UM~$656ROZ3(R)M12I6.png

Wybodaeth angenrheidiol. i ni ddylunio a dyfynnu

• Beth yw dimensiwn eich paneli PV?___mm hyd x___mm lled x__mm trwch
• Sawl panel ydych chi'n mynd i'w mofyn?_______Nos.
• Beth yw'r ongl Tilt?____degree
• Beth yw eich bloc PV arfaethedig?________Nos. yn olynol
• Sut mae'r tywydd yno, megis cyflymder y gwynt a llwyth yr eira?
___m/s anit-cyflymder y gwynt and____KN/m2 llwyth eira.

.jpg

 

Tagiau poblogaidd: dylunio newydd panelau to paneli solar, cyflenwyr Tsieina, gweithgynhyrchwyr, ffatri, wedi'i addasu, prynu, pris, pricelist, dyfyniad, sampl am ddim

(0/10)

clearall